Mám i video chodu motoru ve formátu MP4 , ale nejde mi vložit přímo
Rover 827 Si, r.v. 1995
Re: Rover 827 Si, r.v. 1995
Včera jsem nahlédl pod ventildekl a po ujetí 1000 km od výměny oleje to vypadá mnohem lépe
Mám i video chodu motoru ve formátu MP4 , ale nejde mi vložit přímo
Mám i video chodu motoru ve formátu MP4 , ale nejde mi vložit přímo
Všechna svá auta jsem prodal,takže momentálně bez Roveru!
Re: Rover 827 Si, r.v. 1995
Tak rozdíl tam je... nicméně moc bych nevěřil tomu, že se takto vyplaví i hydroštely. V nich olej nekoluje, takže když se do nich něco dostane, tak už to tam i zůstane. Kdyby byla možnost je vyndat a vyčistit, tak by to bylo nejefektivnější.
Re: Rover 827 Si, r.v. 1995
Čau.
To je asi fakt.
Karle, zkoušel jsi proplach olejem? Moc to téma tu nečtu, jen se sem tam mrknu, prý dost pomáhá nalít nějaký levnější olej stejné specifikace, ujet tak 2-3 000 km a nalít pořádný, včetně výměny dalšího filtru.
Co ty lehce vydřené vačky, to je normální?
To je asi fakt.
Karle, zkoušel jsi proplach olejem? Moc to téma tu nečtu, jen se sem tam mrknu, prý dost pomáhá nalít nějaký levnější olej stejné specifikace, ujet tak 2-3 000 km a nalít pořádný, včetně výměny dalšího filtru.
Co ty lehce vydřené vačky, to je normální?
Rover 75 1.8L Turbo sedan 2004
Tento automobil byl: 72 453. ve výrobním pořadí, z celkového počtu 112 381 ks, 752. 1.8 T Connoisseur z celkového počtu 2 392 ks, 1 003. v barvě laku Odyssey Blue (kód: JGA) z celkového počtu 2 856 ks.
Alfa Romeo 147, 1.6 L Twinspark 105 KS
Tento automobil byl: 72 453. ve výrobním pořadí, z celkového počtu 112 381 ks, 752. 1.8 T Connoisseur z celkového počtu 2 392 ks, 1 003. v barvě laku Odyssey Blue (kód: JGA) z celkového počtu 2 856 ks.
Alfa Romeo 147, 1.6 L Twinspark 105 KS
Re: Rover 827 Si, r.v. 1995
To: Pítrs: V současné náplni oleje je nalitý přípravek od Bishopsu
http://www.bishopsoriginal.cz/?p=97
před vypouštěním původního oleje jsem použil jiný přípravek od této firmy, který uvolní motor od karbonových úsad
http://www.bishopsoriginal.cz/?p=329
Stav vaček asi normální není, ale jelikož byl motor zanedbán ze strany olejů a má minimálně 340 tisíc tak se není čemu divit
To: Trunda: ano vyčištění hydroštelů by bylo nejlepší, ale nevím jestli si mám na tohle doma troufnout
http://www.bishopsoriginal.cz/?p=97
před vypouštěním původního oleje jsem použil jiný přípravek od této firmy, který uvolní motor od karbonových úsad
http://www.bishopsoriginal.cz/?p=329
Stav vaček asi normální není, ale jelikož byl motor zanedbán ze strany olejů a má minimálně 340 tisíc tak se není čemu divit
To: Trunda: ano vyčištění hydroštelů by bylo nejlepší, ale nevím jestli si mám na tohle doma troufnout
Všechna svá auta jsem prodal,takže momentálně bez Roveru!
Re: Rover 827 Si, r.v. 1995
Na vačkách nevidím nic zlého.... normálně zajetý tak, jak u systému s nadzvedátky bývá....
Tak to by se muselo udělat s rozvody... normálně by to nebylo zas tak složité, ale tu bys musel rozbombardovat sání včetně těch hadiček a to teda nevím nevím
Tak to by se muselo udělat s rozvody... normálně by to nebylo zas tak složité, ale tu bys musel rozbombardovat sání včetně těch hadiček a to teda nevím nevím
Re: Rover 827 Si, r.v. 1995
Tak rozvody bych rád udělal do Rajhradu, ale jestli na tohle bude mít mechanik nervy a já peníze to dost pochybuji 
Jen tak mimochodem zítra se jedu mrknout na tohle
http://www.veterankalendar.cz/?id=5&id_p=3247
Jen tak mimochodem zítra se jedu mrknout na tohle
http://www.veterankalendar.cz/?id=5&id_p=3247
Všechna svá auta jsem prodal,takže momentálně bez Roveru!
Re: Rover 827 Si, r.v. 1995
Karel825 píše: Před vypouštěním původního oleje jsem použil jiný přípravek od této firmy, který uvolní motor od karbonových úsad
Setkal jsem se s názorem (který mi dává smysl), že je lepší to propláchnout olejem, protože čerstvé detergenty v novém oleji jsou v průběhu několika málo tisíc kilometrů účinnější, než jednorázové prokolování půl hodiny před vypuštěním.Trunda píše:Na vačkách nevidím nic zlého.... normálně zajetý tak, jak u systému s nadzvedátky bývá....
Ty vačky mi přijdou nějaké trošku vydřené, tak asi by stačilo je přeleštit, pokud nebudou zdevastované, ale nevím, třeba to nevadí, jen se ptám.
Jaká to pestrobarevná akceKarel825 píše:Jen tak mimochodem zítra se jedu mrknout na tohle![]()
http://www.veterankalendar.cz/?id=5&id_p=3247
Co Tě tam zajímá nejvíc?
Rover 75 1.8L Turbo sedan 2004
Tento automobil byl: 72 453. ve výrobním pořadí, z celkového počtu 112 381 ks, 752. 1.8 T Connoisseur z celkového počtu 2 392 ks, 1 003. v barvě laku Odyssey Blue (kód: JGA) z celkového počtu 2 856 ks.
Alfa Romeo 147, 1.6 L Twinspark 105 KS
Tento automobil byl: 72 453. ve výrobním pořadí, z celkového počtu 112 381 ks, 752. 1.8 T Connoisseur z celkového počtu 2 392 ks, 1 003. v barvě laku Odyssey Blue (kód: JGA) z celkového počtu 2 856 ks.
Alfa Romeo 147, 1.6 L Twinspark 105 KS
Re: Rover 827 Si, r.v. 1995
Zajímá mě těch očekávaných 700 ks veteránů a hlavně mám to skoro pod okny tak si chci zpříjemnit poslední volný víkend 
Všechna svá auta jsem prodal,takže momentálně bez Roveru!
Re: Rover 827 Si, r.v. 1995
Škoda, že mám plný diář, jinak bych si tam asi zajel, přeci jen to mám celkem za komínem.
Rover 75 1.8L Turbo sedan 2004
Tento automobil byl: 72 453. ve výrobním pořadí, z celkového počtu 112 381 ks, 752. 1.8 T Connoisseur z celkového počtu 2 392 ks, 1 003. v barvě laku Odyssey Blue (kód: JGA) z celkového počtu 2 856 ks.
Alfa Romeo 147, 1.6 L Twinspark 105 KS
Tento automobil byl: 72 453. ve výrobním pořadí, z celkového počtu 112 381 ks, 752. 1.8 T Connoisseur z celkového počtu 2 392 ks, 1 003. v barvě laku Odyssey Blue (kód: JGA) z celkového počtu 2 856 ks.
Alfa Romeo 147, 1.6 L Twinspark 105 KS
Re: Rover 827 Si, r.v. 1995
Karle, rozvodů se neboj, dělaj se víc, než dobře - hodnotím to i jako příjemnější než třeba na K series - je to taková hezká mechanická práce a skládačka. Měnil jsem jen řemen.
Jsem zastánce průplachú normálním oleje - zkrácené výměny. Obzvlášť v Tvém případě bych se vyvaroval účinných proplachů, neboť bych se obával přicpání mazání nějakým bordelem.
Jsem zastánce průplachú normálním oleje - zkrácené výměny. Obzvlášť v Tvém případě bych se vyvaroval účinných proplachů, neboť bych se obával přicpání mazání nějakým bordelem.
MGF, Tourer, RR P38,R75, MGF Trophy, Rover 200 BRM, Rover 827 Coupe, 827 Sedan, Elise S1, XK8 , Škoda Felicia(60´), 1000(64) + 1100(67)MB, 110R(70,71,72,78,80), Garde(83), W353(67,73)...prostě mě to baví.
Re: Rover 827 Si, r.v. 1995
Ano, na tohle jsem zapomněl myslet, je to tak.KDB píše:Obzvlášť v Tvém případě bych se vyvaroval účinných proplachů, neboť bych se obával přicpání mazání nějakým bordelem.
To je už lepší ten agregát kompletně rozmontovat a ručně počistit.
Rover 75 1.8L Turbo sedan 2004
Tento automobil byl: 72 453. ve výrobním pořadí, z celkového počtu 112 381 ks, 752. 1.8 T Connoisseur z celkového počtu 2 392 ks, 1 003. v barvě laku Odyssey Blue (kód: JGA) z celkového počtu 2 856 ks.
Alfa Romeo 147, 1.6 L Twinspark 105 KS
Tento automobil byl: 72 453. ve výrobním pořadí, z celkového počtu 112 381 ks, 752. 1.8 T Connoisseur z celkového počtu 2 392 ks, 1 003. v barvě laku Odyssey Blue (kód: JGA) z celkového počtu 2 856 ks.
Alfa Romeo 147, 1.6 L Twinspark 105 KS
Re: Rover 827 Si, r.v. 1995
Před aplikací Bishopsu jsem prošel spoustu fór kde se tato problematika řeší a vpodstatě žádná osobní zkušenost nehovořila negativně proti tomuto přípravku. Motor je s přibývajícím nájezdem klidnější a jede čím dál lépe tak mu dám šanci
Každopádně jak jsem psal dříve ve svém tématu, olej tam nechám maximálně 5000 km odteď 4000 a pak udělám výměnu
Pokud jde o rozvody tak díky Karle, že mi věříš
, ale chci udělat i výměnu napínací kladky a vodní pumpy včetně opakovaného proplachu chladícího okruhu, protože se mi pořád v expanzce objevuje nějaký kal - NE šlem, ale kal
K tomu čištění hydroštelů. Platí to obecně, že jsou hydroštely rozebíratelné tak jak je rozdělal a pak složil zpět Trunda
Honda používá typ, který je v příloze a dávám i odkaz na stránky
http://www.deautogroup.com/?l=en&m=prod ... 60&make=HO
Přístup k hydroštelům je vidět na druhé fotce motoru, který to taky pěkně schytal
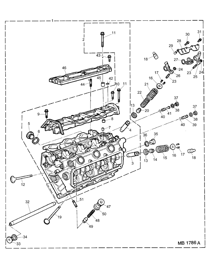
a na nákresu od Rimmerů
Někde jsem dokonce četl něco o tom, že se prodávala nějaká sada na předělání na manuální vymezení ventilů
Každopádně jak jsem psal dříve ve svém tématu, olej tam nechám maximálně 5000 km odteď 4000 a pak udělám výměnu
Pokud jde o rozvody tak díky Karle, že mi věříš
K tomu čištění hydroštelů. Platí to obecně, že jsou hydroštely rozebíratelné tak jak je rozdělal a pak složil zpět Trunda
Honda používá typ, který je v příloze a dávám i odkaz na stránky
http://www.deautogroup.com/?l=en&m=prod ... 60&make=HO
Přístup k hydroštelům je vidět na druhé fotce motoru, který to taky pěkně schytal
Někde jsem dokonce četl něco o tom, že se prodávala nějaká sada na předělání na manuální vymezení ventilů
Všechna svá auta jsem prodal,takže momentálně bez Roveru!
Re: Rover 827 Si, r.v. 1995
Aha.... šel bych do toho vyčištění hydroštelů... vždyť to je úplně parádně rozdělatelný a nemusíš rozhazovat sání. Navíc tenhle typ hydroštelu nemusíš rozklepávet - jen se rozdělají půlky od sebe. Je to v podstatě jen ten cumcrlík, který my máme schovaná ještě v misce.
Re: Rover 827 Si, r.v. 1995
Aha... ale to je jen jedna půlka hlavy... druhá je přístupná z čela a to tedy u té zadní hlavy moc reálné nebude
... kurni.... tak to asi nic. To by bylo asi spíš na vyndání motoru ven...
Re: Rover 827 Si, r.v. 1995
No právě, pristupne jdou jen saci,výfuk je problém 
Všechna svá auta jsem prodal,takže momentálně bez Roveru!
