nefungují přední mlhovky
-
Elessarr
- Příspěvky: 102
- Registrován: pon led 02, 2012 11:42
- Bydliště: Ústí nad Labem
- Kontaktovat uživatele:
nefungují přední mlhovky
Zdravím pánové,
Mám problém,že mi nefungují po stisku na přístrojovce spínače mlhovek světla. nejde tam proud.Zkoušel jsem zdali není prdlá pojistka... není, zkoušel jsem zdali do pojistky jde proud,nejde. Kde by mohla být chyba, ostatní spínače fungují v pořádku.
Díky za rady,
Mám problém,že mi nefungují po stisku na přístrojovce spínače mlhovek světla. nejde tam proud.Zkoušel jsem zdali není prdlá pojistka... není, zkoušel jsem zdali do pojistky jde proud,nejde. Kde by mohla být chyba, ostatní spínače fungují v pořádku.
Díky za rady,
- AnderN
- Site Admin
- Příspěvky: 6987
- Registrován: pon zář 17, 2007 18:46
- Bydliště: Brno, tel.: +420 725 378 817
- Kontaktovat uživatele:
Re: nefungují přední mlhovky
Spínač?
-
Elessarr
- Příspěvky: 102
- Registrován: pon led 02, 2012 11:42
- Bydliště: Ústí nad Labem
- Kontaktovat uživatele:
Re: nefungují přední mlhovky
Jakej spínač?
- GeneHawkins
- Příspěvky: 131
- Registrován: pát úno 05, 2016 22:13
-
Elessarr
- Příspěvky: 102
- Registrován: pon led 02, 2012 11:42
- Bydliště: Ústí nad Labem
- Kontaktovat uživatele:
Re: nefungují přední mlhovky
Problém je,že nejde proud ani ve spínací skřínce,kde jsou pojistky.tak se ptám kde by mohl bejt ještě problém? Mohlo by to být relátkem?
- GeneHawkins
- Příspěvky: 131
- Registrován: pát úno 05, 2016 22:13
-
Elessarr
- Příspěvky: 102
- Registrován: pon led 02, 2012 11:42
- Bydliště: Ústí nad Labem
- Kontaktovat uživatele:
Re: nefungují přední mlhovky
Ano je to rover 214i 55KW neboli 75 koníků
- GeneHawkins
- Příspěvky: 131
- Registrován: pát úno 05, 2016 22:13
Re: nefungují přední mlhovky
Celkem legrační diskuze 
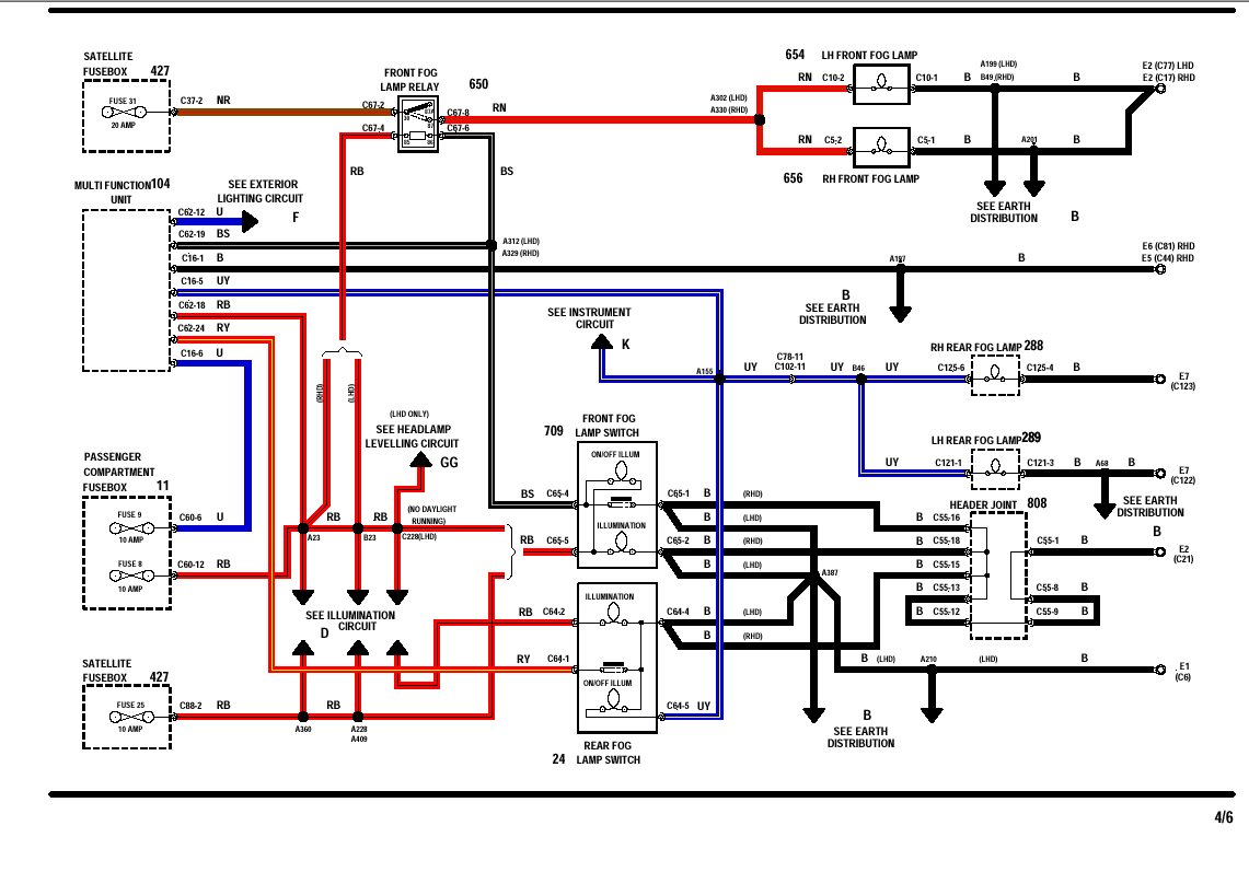
Tohle asi pomůže, ne?
.... případně toto, protože od nějakého roku to bylo trošku jinak:
Tohle asi pomůže, ne?
.... případně toto, protože od nějakého roku to bylo trošku jinak:
- GeneHawkins
- Příspěvky: 131
- Registrován: pát úno 05, 2016 22:13
-
Elessarr
- Příspěvky: 102
- Registrován: pon led 02, 2012 11:42
- Bydliště: Ústí nad Labem
- Kontaktovat uživatele:
Re: nefungují přední mlhovky
Nejde ani podsvícení mlhovky ani mlhovky, pojistka č.8 a č.20 jsou OK a do konektoru neleze + . Zadní mlhovka podsvícení a mlhovka OK.
je tam někde problemovej konektor??? Měl jsem nějakej čas sundanej středovej panel a konektory volně.
je tam někde problemovej konektor??? Měl jsem nějakej čas sundanej středovej panel a konektory volně.
Re: nefungují přední mlhovky
Postup je hodně jednoduchý....
Koukni na schéma a voltmetrem měř napětí postupně od baterky, přes pojistky k danému spotřebiči - relé. Od relé přes spínač na kostru musíš prozváněčkou a nebo naopak nechat připojený plus voltmetru na napětí a půjdeš od ukostření přes spínač k relé.
Že nejde podsvícení tlačítek může být problém jen prasklých žároviček v tlačítkách - tzn. je potřeba opět měřit.
Jo a mimochodem jsou to pojistky 8 a 31
Koukni na schéma a voltmetrem měř napětí postupně od baterky, přes pojistky k danému spotřebiči - relé. Od relé přes spínač na kostru musíš prozváněčkou a nebo naopak nechat připojený plus voltmetru na napětí a půjdeš od ukostření přes spínač k relé.
Že nejde podsvícení tlačítek může být problém jen prasklých žároviček v tlačítkách - tzn. je potřeba opět měřit.
Jo a mimochodem jsou to pojistky 8 a 31




